About Us
企業總機
15300688829
圖文傳真
021-62882199
銷售熱線
021-62882177
技術咨詢
153 00688829
Products Show
- 產品概述
- 型號定義
- 適用范圍














產品概況:
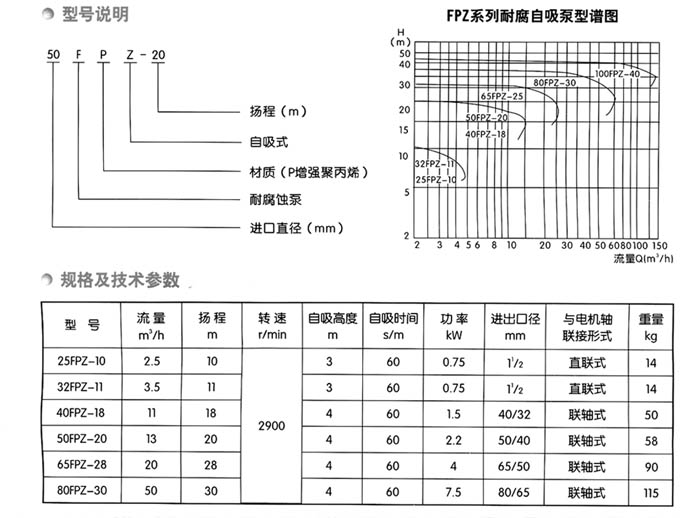
FPZ系列泵一次注塑成型、機械強度高,耐腐蝕性能強,結構上有獨具一格的科學性。泵腔內設有吸液室、儲液室、回液止回閥、氣液分離室、回流孔,只需在第一次開機前灌注引液,以后不必重復灌注引液,在吸送介質時,液體可時斷時續,斷液15分鐘內來液可繼續吸送,機械密封不需另加冷卻水冷卻,操作簡便,安全,無泄漏,是取代液下泵的最佳產品。
泵材質,采用無毒、無污染,增強聚丙烯RPP(適用溫度-14℃~100℃)、ABS、UPVC第一次性注塑成型。
性能參數:
|
型 號 |
流量 |
揚程 |
自吸高度 |
自吸時間 |
功率 |
進出口徑 |
與電機軸聯接形式 |
|
m3/h |
(m) |
(m) |
s/m |
KW |
mm |
||
|
25FPZ-10 |
2.5 |
10 |
3 |
60 |
0.75 |
1 1/2 |
直聯式 |
|
32FPZ-11 |
3.5 |
11 |
3 |
60 |
0.75 |
1 1/2 |
直聯式 |
|
40FPZ-18 |
11 |
18 |
4 |
60 |
1.5 |
40/30 |
直聯式 |
|
50FPZ-20 |
13 |
20 |
4 |
60 |
2.2 |
50/40 |
直聯式 |
|
25FPZ-10 |
2.5 |
10 |
3 |
60 |
0.75 |
1 1/2 |
聯軸式 |
|
32FPZ-11 |
3.5 |
11 |
3 |
60 |
0.75 |
1 1/2 |
聯軸式 |
|
40FPZ-18 |
11 |
18 |
4 |
60 |
1.5 |
40/30 |
聯軸式 |
|
50FPZ-20 |
13 |
20 |
4 |
60 |
2.2 |
50/40 |
聯軸式 |
|
65FPZ-28 |
20 |
28 |
4 |
60 |
4 |
65/50 |
聯軸式 |
|
80FPZ-30 |
50 |
30 |
4 |
60 |
7.5 |
80/65 |
聯軸式 |















